Габариты вл: норматив по ПУЭ, расчет и замеры
норматив по ПУЭ, расчет и замеры
Автор Electricity На чтение 3 мин. Опубликовано
Воздушные линии электропередач – это электроустановка, которая используется для передачи и распределения электрической энергии по проводам различного сечения. Последние закрепляются на изоляторах, которые прикрепляются к траверсам или к специальной арматуре на опорах. При проектировании и монтаже важно соблюдать габариты ВЛ, куда включается длина пролетов, расстояния от объектов, стрела провеса.
Содержание
- Габариты ВЛ
- Определения
- Допустимые величины по ПУЭ
- Проведение замеров габаритов
Габариты ВЛ
Основным документом, в котором прописываются требования к габаритам, является «Правила устройства электроустановок» (ПУЭ). В этой нормативной документации предоставляется отдельная глава, которая посвящается рассматриваемому вопросу. Разберем основные моменты по заданному направлению.
Определения
Габариты ВЛ – это предельно допустимые расстояния от проводов до поверхности земли и различных объектов, сооружений и устройств. Соблюдение этих требований обеспечивает правильное и безопасное использование электроустановки для передачи и распределения электроэнергии. В понятие включается:
- Высота подвеса – расстояние от места крепления проводов на изоляторе до земли. Габаритом над землей называется величина от низшей точки пролета до земли.
- Стрела провеса – это разница от подвеса ЛЭП и проводов в наименьшей точке (посередине пролета) до земли. Величина зависит от температуры воздуха, пролета, марки опор.
- Существует понятие габарит при пересечении и сближении. Это величины, которые регламентируют длину по вертикали до поверхности дорог, рек, пересекаемых ВЛ, а также наименьшие величины до объектов и строений.
Длина промежуточного пролета – это величина между смежными опорами. Для ВЛ 0,4 кВ этот показатель составляет 30-50 метров в зависимости от сечения, климата, типов опор.
Допустимые величины по ПУЭ
Габариты ВЛ зависят от нескольких факторов, в том числе от напряжения линии, от проходимости в городе или на пересеченной местности, по используемым материала. Рассмотрим различные примеры далее:
- Для ВЛ 0,4 кВ согласно ПУЭ следующие – до земли не менее 6 метров. Ответвление ввода через дорогу обязано сопровождаться высотой не менее 3,5 м. От проводов на фронтоне до земли величина составляет не меньше 2,75 метра. При пересечении с железной дорогой, трамвайной или троллейбусной линией не менее 7,5 м, до других проводов не менее 1,5 м. Стрела провеса для линии до 1000 В при пролете 35-45 метров последняя не превышает 1,2 метра.
- Габариты ВЛ 10 кВ регламентируются ПУЭ. Минимальное расстояние до земли составляет не менее 7 м. При пересечении с железной дорогой, трамвайной или троллейбусной линией не менее 9,5 м, до провода не менее 3 метров. Стрела провеса ВЛ 10 киловольт не превышает 1,5 м.
Строительство ВЛ любого напряжения над зданиями не допускается.
При совместной подвеске разного напряжения между фазами соблюдается расстояние не менее 1,2 метра.
Расчет габаритов основывается на «Правилах устройства электроснабжения». Этот нормативный документ лег в основу типовых проектов по каждому типу опор ВЛ 0,4-10 кВ. Расчет осуществляется с учетом климатических особенностей. В ПУЭ представлена формула, определяющая стрелу провеса провода для ВЛ от 35 киловольт и выше.
Проведение замеров габаритов
Наиболее точный, безопасный и эффективный способ определения расстояния основан на использовании оптических приборов. Этот вариант позволяет получить информацию без отключения ВЛ электропередач. Для реализации поставленной задачи подходит теодолит, высотомер или другие изделия схожего назначения. Процесс поэтапный, на первой стадии оценивается высота подвеса линии. На второй делается замер до низшей точки провисания провода, а также в местах пересечения с дорогами или объектами.
Стрела провеса провода ВЛ определяется математически.
Величина меняется в зависимости от температуры наружного воздуха. Если ЛЭП не введена в эксплуатацию оценка производится с применением штанги или каната с метками. Помните, что неправильно выбранные величины становятся причиной появления несчастных случаев, «схлестов» и обрывов.
Габариты ВЛ Габариты воздушной линии ЛЭП Проведение замеров габаритов
Габарит вл 110 кв до земли
| Обслуживание |
|---|
| Главная |
| Городское электроснабжение |
| Схемы, чертежи и планы |
| Распределительные устройства |
| Электрооборудование РУ ГС |
| Эксплуатация и ремонт |
| Кабельные линии |
| Воздушные линии |
| Заземление электроустановок |
| Испытания и измерения |
| Переключения, ликвидация перерывов электроснабжения |
| Механизация работ |
| Техника безопасности и противопожарные мероприятия |
| Экономика производства |
| Кто он-лайн |
|---|
| Сейчас на сайте: Гостей — 2 |

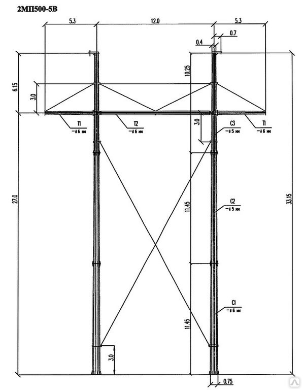
Высотой подвеса линии называется расстояние от земли до места крепления провода на изоляторе опоры (смотри рисунок ниже). Наименьшее расстояние от земли до провода находится в середине пролета. Стрелой провеса называется расстояние по вертикали от низшей точки провода в пролете до прямой линии между точками крепления провода на опорах. Стрела провеса провода зависит от температуры воздуха, длины пролета, внешней нагрузки на провод (ветер, гололед), материала и сечения провода. Максимальная стрела провеса для воздушных линий напряжением до 1000В при обычных пролетах 35 — 45 метров составляет до 1,2 метра. Габаритом провода над землей называется расстояние от проводов до поверхности земли при наибольшей стреле провеса. Габаритом воздушной линии при пересечениях называется наименьшее расстояние от проводов линии по вертикали до поверхности шоссейных и железных дорог, рек, проводов линий связи при пересечении их воздушной линией. Габаритом воздушной линии при сближениях называется наименьшее допустимое расстояние от проводов воздушных линий до различных объектов при прохождении линии параллельно этим объектам (например, зданиям, строениям и т. д.). Габарит провода над землей, а также габариты воздушных линий при пересечениях и сближениях устанавливаются Правилами устройства электроустановок (ПУЭ) в зависимости от группы воздушных линий и местности, по которой проходит трасса линии. В населенных местностях ПУЭ установлены следующие габариты провода над землей:
При пересечении воздушной линии с железными дорогами габарит провода от головки рельсов согласно ПУЭ должен быть 7,5 метров, при пересечении воздушной линией напряжением до 1000В трамвайной и троллейбусной линий — соответственно 8 и 9 метров при расстоянии от проводов воздушной линии до несущего троса или контактного провода не менее 1,5 метров. В целях экономии средств возможна совместная подвеска на общих опорах проводов воздушной линии напряжением не более 380/220 В, проводов радиосети (РС) и проводов уличного освещения, а также совместная подвеска проводов воздушной линии напряжением до 10кВ и проводов радиосети. При этом провода воздушной линии напряжением 380/220 В располагают над проводами РС и расстояние по вертикали от нижнего провода воздушной линии до верхнего провода РС независимо от их размещения на опоре должно быть не менее 1,5 метров, а между проводами ответвлений от воздушной линии и проводами РС на вводах в здания по горизонтали не менее 1,5 метров. При совместной подвеске на общих опорах проводов воздушной линии напряжением 1 — 10кВ и проводов радиосети с напряжением между проводами более 360В провода воздушной линии располагают также над проводами РС. При этом расстояние по вертикали от нижнего провода воздушной линии до верхнего провода РС должно быть не менее 1,2 метра и радиотрансляционные сети должны удовлетворять специальным требованиям. 1. Воздушная линия электропередачиВоздушная линия электропередачи (ВЛ) – устройство, предназначенное для передачи или распределения электрической энергии по проводам с защитной изолирующей оболочкой (ВЛЗ) или неизолированным проводам (ВЛ), находящимся на открытом воздухе и прикрепленным с помощью траверс (кронштейнов), изоляторов и линейной арматуры к опорам или другим инженерным сооружениям (мостам, путепроводам). Главными элементами ВЛ являются:
За начало и за конец воздушной линии принимают линейные порталы распределительных устройств. По конструктивному устройству ВЛ делятся на одноцепные и многоценные, как правило 2-цепные. Обычно ВЛ состоит из трех фаз, поэтому опоры одноцепных ВЛ напряжением выше 1 кВ рассчитаны на подвеску трёх фазных проводов (одной цепи) (рис. 1), на опорах двухцепных ВЛ подвешивают шесть проводов (две параллельно идущие цепи). При необходимости над фазными проводами подвешивается один или два грозозащитных троса. На опорах ВЛ распределительной сети напряжением до 1 кВ подвешивается от 5 до 12 проводов для электроснабжения различных потребителей по одной ВЛ (наружное и внутреннее освещение, электросиловое хозяйство, бытовые нагрузки). ВЛ напряжением до 1 кВ с глухозаземлённой нейтралью помимо фазных снабжена нулевым проводом. Рис. 1. Фрагменты ВЛ 220 кВ: а – одноцепной; б – двухцепной Провода воздушных линий электропередачи в основном изготавливаются из алюминия и его сплавов, в некоторых случаях из меди и ее сплавов, выполняются из холоднотянутой проволоки, обладающей достаточной механической прочностью. Рис. 2. Примеры расположения фазных проводов и грозозащитных тросов на опорах: а – треугольное; б – горизонтальное; в – шестиугольное «бочкой»; г – обратной «елкой» Таблица 1. Конструктивные параметры воздушных линий |
| Номинальное напряжение ВЛ, кВ | Расстояние между фазными проводами, м | Длина пролета, м | Высота опоры, м | Габарит линии, м |
| Менее 1 | 0,5 | 40 – 50 | 8 – 9 | 6 – 7 |
| 6 – 10 | 1,0 | 50 – 80 | 10 | 6 – 7 |
| 35 | 3 | 150 – 200 | 12 | 6 – 7 |
| 110 | 4 – 5 | 170 – 250 | 13 – 14 | 6 – 7 |
| 150 | 5,5 | 200 – 280 | 15 – 16 | 7 – 8 |
| 220 | 7 | 250 – 350 | 25 – 30 | 7 – 8 |
| 330 | 9 | 300 – 400 | 25 – 30 | 7,5 – 8 |
| 500 | 10 – 12 | 350 – 450 | 25 – 30 | 8 |
| 750 | 14 – 16 | 450 – 750 | 30 – 41 | 10 – 12 |
| 1150 | 12 – 19 | – | 33 – 54 | 14,5 – 17,5 |
Для всех приведенных вариантов расположения фазных проводов на опорах характерно несимметричное расположение проводов по отношению друг к другу.
Соответственно это ведет к неодинаковому реактивному сопротивлению и проводимости разных фаз, обусловленных взаимной индуктивностью между проводами линии и как следствие к несимметрии фазных напряжений и падению напряжения.
Для того чтобы сделать емкость и индуктивность всех трех фаз цепи одинаковыми, на линии электропередачи применяют транспозицию проводов, т.е. взаимно меняют их расположение друг относительно друга, при этом каждый провод фазы проходит одну треть пути (рис. 3). Одно такое тройное перемещение называется циклом транспозиции.
Рис. 3. Схема полного цикла транспозиции участков воздушной линии электропередачи: 1, 2, 3 – фазные провода
Транспозицию фазных проводов воздушной линии электропередачи с неизолированными проводами применяют на напряжение 110 кВ и выше и при протяженности линии 100 км и больше. Один из вариантов монтажа проводов на транспозиционной опоре показан на рис. 4. Следует отметить, что транспозицию токопроводящих жил иногда применяют и в КЛ, кроме того современные технологии проектирования и сооружения ВЛ позволяют технически реализовать управление параметрами линии (управляемые самокомпенсирующиеся линии и компактные воздушные линии сверхвысокого напряжения).
Рис. 4. Транспозиционная опора
Провода и защитные тросы ВЛ в определенных местах должны быть жестко закреплены на натяжных изоляторах анкерных опор (концевые опоры 1 и 7, устанавливаемые в начале и конце ВЛ, как это показано на рис. 5 и натянуты до заданного тяжения. Между анкерными опорами устанавливают промежуточные опоры, необходимые для поддержания проводов и тросов, при помощи поддерживающих гирлянд изоляторов с поддерживающими зажимами, на заданной высоте (опоры 2, 3, 6), устанавливаемые на прямом участке ВЛ; угловые (опоры 4 и 5), устанавливаемые на поворотах трассы ВЛ; переходные (опоры 2 и 3), устанавливаемые в пролете пересечения воздушной линией какого-либо естественного препятствия или инженерного сооружения, например, железной дороги или шоссе.
Рис. 5. Эскиз воздушной линии электропередачи
Расстояние между анкерными опорами называют анкерным пролетом воздушной линии электропередачи (рис. 6). Горизонтальное расстояние между точками крепления провода на соседних опорах называется длиной пролета L.
Эскиз пролета ВЛ показан на рис. 7. Длину пролета выбирают в основном по экономическим соображениям, кроме переходных пролетов, учитывая, как высоту опор, так и провисание проводов и тросов, а также количество опор и изоляторов по всей длине ВЛ.
Рис. 6. Эскиз анкерного пролета ВЛ: 1 – поддерживающая гирлянда изоляторов; 2 – натяжная гирлянда; 3 – промежуточная опора; 4 – анкерная опора
Наименьшее расстояние по вертикали от земли до провода при его наибольшем провисании называют габаритом линии до земли – h. Габарит линии должен выдерживаться для всех номинальных напряжений с учетом опасности перекрытия воздушного промежутка между фазными проводами и наиболее высокой точкой местности. Также необходимо учитывать экологические аспекты воздействия высоких напряженностей электромагнитного поля на живые организмы и растения.
Наибольшее отклонение фазного провода fп или грозозащитного троса fт от горизонтали под действием равномерно распределенной нагрузки от собственной массы, массы гололеда и давления ветра называют стрелой провеса.
Для предотвращения схлёстывания проводов стрела провеса троса выполняется меньше стрелы провеса провода на 0,5 – 1,5 м.
Конструктивные элементы ВЛ, такие как фазные провода, тросы, гирлянды изоляторов обладают значительной массой поэтому силы действующие на одну опору достигает сотен тысяч ньютон (Н). Силы тяжения на провод от веса провода, веса натяжных гирлянд изоляторов и гололедных образований направлены по нормали вниз, а силы, обусловленные ветровым напором, по нормали в сторону от вектора ветрового потока, как это показано на рис. 7.
Рис. 7. Эскиз пролета воздушной линии электропередачи
С целью уменьшения индуктивного сопротивления и увеличения пропускной способности ВЛ дальних передач используют различные варианты компактных ЛЭП, характерной особенностью которых является уменьшенное расстояние между фазными проводами. Компактные ЛЭП имеют более узкий пространственный коридор, меньший уровень напряженности электрического поля на уровне земли и позволяют технически реализовать управление параметрами линии (управляемые самокомпенсирующиеся линии и линии с нетрадиционной конфигурацией расщепленных фаз).
2. Кабельная линия электропередачи
Кабельная линия электропередачи (КЛ) состоит из одного или нескольких кабелей и кабельной арматуры для соединения кабелей и для присоединения кабелей к электрическим аппаратам или шинам распределительных устройств.
В отличие от ВЛ кабели прокладываются не только на открытом воздухе, но и внутри помещений (рис. 8), в земле и воде. Поэтому КЛ подвержены воздействию влаги, химической агрессивности воды и почвы, механическим повреждениям при проведении земляных работ и смещении грунта во время ливневых дождей и паводков. Конструкция кабеля и сооружений для прокладки кабеля должна предусматривать защиту от указанных воздействий.
Рис. 8. Прокладка силовых кабелей в помещении и на улице
По значению номинального напряжения кабели делятся на три группы: кабели низкого напряжения (до 1 кВ), кабели среднего напряжения (6…35 кВ), кабели высокого напряжения (110 кВ и выше).
По роду тока различают кабели переменного и постоянного тока.
Силовые кабели выполняются одножильными, двухжильными, трехжильными, четырехжильными и пятижильными. Одножильными выполняются кабели высокого напряжения; двухжильными – кабели постоянного тока; трехжильными – кабели среднего напряжения.
Кабели низкого напряжения выполняются с количеством жил до пяти. Такие кабели могут иметь одну, две или три фазных жилы, а также нулевую рабочую жилу N и нулевую защитную жилу РЕ или совмещенную нулевую рабочую и защитную жилу PEN.
По материалу токопроводящих жил различают кабели с алюминиевыми и медными жилами. В силу дефицитности меди наибольшее распространение получили кабели с алюминиевыми жилами. В качестве изоляционного материала используется кабельная бумага, пропитанная маслоканифольным составом, пластмасса и резина. Различают кабели с нормальной пропиткой, обедненной пропиткой и пропиткой нестекающим составом.
Кабели с обедненной или нестекающей пропиткой прокладывают по трассе с большим перепадом высот или по вертикальным участкам трассы.
Кабели высокого напряжения выполняются маслонаполненными или газонаполненными. В этих кабелях бумажная изоляция заполняется маслом или газом под давлением.
Защита изоляции от высыхания и попадания воздуха и влаги обеспечивается наложением на изоляцию герметичной оболочки. Защита кабеля от возможных механических повреждений обеспечивается броней. Для защиты от агрессивности внешней среды служит наружный защитный покров.
При изучении кабельных линий целесообразно отметить сверхпроводящие кабели для линий электропередачи в основу конструкции которых положено явление сверхпроводимости. В упрощенном виде явление сверхпроводимости в металлах можно представить следующим образом. Между электронами как между одноименно заряженными частицами действуют кулоновские силы отталкивания. Однако при сверхнизких температурах для сверхпроводящих материалов (а это 27 чистых металлов и большое количество специальных сплавов и соединений) характер взаимодействия электронов между собой и с атомной решеткой существенно видоизменяется.
В результате становится возможным притягивание электронов и образование так называемых электронных (куперовских) пар. Возникновение этих пар, их увеличение, образование «конденсата» электронных пар и объясняет появление сверхпроводимости. С повышением температуры часть электронов термически возбуждается и переходит в одиночное состояние. При некоторой так называемой критической температуре все электроны становятся нормальными и состояние сверхпроводимости исчезает. То же происходит и при повышении напряженности магнитного поля. Критические температуры сверхпроводящих сплавов и соединений, используемых в технике, составляют 10 — 18 К, т.е. от –263 до –255°С.
Первые проекты, экспериментальные модели и опытные образцы таких кабелей в гибких гофрированных криостатирующих оболочках были реализованы лишь в 70—80-е годы XX века. В качестве сверхпроводника использовались ленты на основе интерметаллического соединения ниобия с оловом, охлаждаемые жидким гелием.
В 1986 г.
было открыто явление высокотемпературной сверхпроводимости, и уже в начале 1987 г. были получены проводники такого рода, представляющие собой керамические материалы, критическая температура которых была повышена до 90 К. Примерный состав первого высокотемпературного сверхпроводника YBa2Cu3O7–d (d 2 , из них сечением до 16 мм 2 – однопроволочные, свыше – многопроволочные.
Провод – одна неизолированная или одна и более изолированных жил, поверх которых в зависимости от условий прокладки и эксплуатации может иметься неметаллическая оболочка, обмотка и (или) оплетка волокнистыми материалами или проволокой.
Шнур – две или более изолированных, или особо гибких жил сечением до 1,5 мм 2 , скрученных или уложенных параллельно, поверх которых в зависимости от условий прокладки и эксплуатации могут быть наложены неметаллическая оболочка и защитные покрытия.
Раздел 2. Канализация электроэнергии
Глава 2.
4. Воздушные линии электропередачи напряжением до 1 кВГабариты, пересечения и сближения.
2.4.55. Расстояние по вертикали от проводов ВЛИ до поверхности земли в населенной и ненаселенной местности до земли и проезжей части улиц должно быть не менее 5 м. Оно может быть уменьшено в труднодоступной местности до 2,5 м и в недоступной (склоны гор, скалы, утесы) – до 1 м. ¶
При пересечении непроезжей части улиц ответвлениями от ВЛИ к вводам в здания расстояния от СИП до тротуаров пешеходных дорожек допускается уменьшить до 3,5 м. ¶
Расстояние от СИП и изолированных проводов до поверхности земли на ответвлениях к вводу должно быть не менее 2,5 м. ¶
Расстояние от неизолированных проводов до поверхности земли на ответвлениях к вводам должно быть не менее 2,75 м. ¶
2.4.56. Расстояние от проводов ВЛ в населенной и ненаселенной местности при наибольшей стреле провеса проводов до земли и проезжей части улиц должно быть не менее 6 м. Расстояние от проводов до земли может быть уменьшено в труднодоступной местности до 3,5 м и в недоступной местности (склоны гор, скалы, утесы) – до 1 м.
¶
2.4.57. Расстояние по горизонтали от СИП при наибольшем их отклонении до элементов зданий и сооружений должно быть не менее: ¶
- 1,0 м – до балконов, террас и окон;
- 0,2 м – до глухих стен зданий, сооружений.
Допускается прохождение ВЛИ и ВЛ с изолированными проводами над крышами зданий и сооружениями (кроме оговоренных в гл.7.3 и 7.4), при этом расстояние от них до проводов по вертикали должно быть не менее 2,5 м. ¶
2.4.58. Расстояние по горизонтали от проводов ВЛ при наибольшем их отклонении до зданий и сооружений должно быть не менее: ¶
- 1,5 м – до балконов, террас и окон;
- 1,0 м – до глухих стен.
Прохождение ВЛ с неизолированными проводами над зданиями и сооружениями не допускается. ¶
2.4.59. Наименьшее расстояние от СИП и проводов ВЛ до поверхности земли или воды, а также до различных сооружений при прохождении ВЛ над ними определяется при высшей температуре воздуха без учета нагрева проводов ВЛ электрическим током.
¶
2.4.60. При прокладке по стенам зданий и сооружениям минимальное расстояние от СИП должно быть: ¶
при горизонтальной прокладке ¶
- над окном, входной дверью – 0,3 м;
- под балконом, окном, карнизом – 0,5 м;
- до земли – 2,5 м;
при вертикальной прокладке ¶
- до окна – 0,5 м;
- до балкона, входной двери – 1,0 м.
Расстояние в свету между СИП и стеной здания или сооружением должно быть не менее 0,06 м. ¶
2.4.61. Расстояния по горизонтали от подземных частей опор или заземлителей опор до подземных кабелей, трубопроводов и наземных колонок различного назначения должны быть не менее приведенных в табл.2.4.4. ¶
Таблица 2.4.4. Наименьшее допустимое расстояние по горизонтали от подземных частей опор или заземляющих устройств опор до подземных кабелей, трубопроводов и наземных колонок. ¶
Водо-, паро- и теплопроводы, распределительные газопроводы, канализационные трубы
Пожарные гидранты, колодцы, люки канализации, водоразборные колонки
Кабели (кроме кабелей связи, сигнализации и проводного вещания, см.
также 2.4.77)
То же, но при прокладке их в изолирующей трубе
2.4.62. При пересечении ВЛ с различными сооружениями, а также с улицами и площадями населенных пунктов угол пересечения не нормируется. ¶
2.4.63. Пересечение ВЛ с судоходными реками и каналами не рекомендуется. При необходимости выполнения такого пересечения ВЛ должны сооружаться в соответствии с требованиями 2.5.268-2.5.272. При пересечении несудоходных рек и каналов наименьшие расстояния от проводов ВЛ до наибольшего уровня воды должно быть не менее 2 м, а до уровня льда – не менее 6 м. ¶
2.4.64. Пересечения и сближения ВЛ напряжением до 1 кВ с ВЛ напряжением выше 1 кВ, а также совместная подвеска их проводов на общих опорах должны выполняться с соблюдением требований, приведенных в 2.5.220-2.5.230. ¶
2.4.65. Пересечение ВЛ (ВЛИ) до 1 кВ между собой рекомендуется выполнять на перекрестных опорах; допускается также их пересечение в пролете. Расстояние по вертикали между проводами пересекающихся ВЛ (ВЛИ) должно быть не менее: 0,1 м на опоре, 1 м в пролете.
¶
2.4.66. В местах пересечения ВЛ до 1 кВ между собой могут применяться промежуточные опоры и опоры анкерного типа. ¶
При пересечении ВЛ до 1 кВ между собой в пролете место пересечения следует выбирать возможно ближе к опоре верхней пересекающей ВЛ, при этом расстояние по горизонтали от опор пересекающей ВЛ до проводов пересекаемой ВЛ при наибольшем их отклонении должно быть не менее 2 м. ¶
2.4.67. При параллельном прохождении и сближении ВЛ до 1 кВ и ВЛ выше 1 кВ расстояние между ними по горизонтали должно быть не менее указанных в 2.5.230. ¶
2.4.68. Совместная подвеска проводов ВЛ до 1 кВ и неизолированных проводов ВЛ до 20 кВ на общих опорах допускается при соблюдении следующих условий: ¶
1) ВЛ до 1 кВ должны выполняться по расчетным климатическим условиям ВЛ до 20 кВ; ¶
2) провода ВЛ до 20 кВ должны располагаться выше проводов ВЛ до 1 кВ; ¶
3) провода ВЛ до 20 кВ, закрепляемые на штыревых изоляторах, должны иметь двойное крепление. ¶
2.
4.69. При подвеске на общих опорах проводов ВЛ до 1 кВ и защищенных проводов ВЛЗ 6-20 кВ должны соблюдаться следующие требования: ¶
1) ВЛ до 1 кВ должны выполняться по расчетным климатическим условиям ВЛ до 20 кВ; ¶
2) провода ВЛЗ 6-20 кВ должны располагаться, как правило, выше проводов ВЛ до 1 кВ; ¶
3) крепление проводов ВЛЗ 6-20 кВ на штыревых изоляторах должно выполняться усиленным. ¶
2.4.70. При пересечении ВЛ (ВЛИ) с ВЛ напряжением выше 1 кВ расстояние от проводов пересекающей ВЛ до пересекаемой ВЛ (ВЛИ) должно соответствовать требованиям, приведенным в 2.5.221 и 2.5.227. ¶
Сечение проводов пересекаемой ВЛ должно приниматься в соответствии с 2.5.223.¶
«>
О НАС | VLKids
Наша история
Компания VL Dimensions Sdn Bhd была создана в 2014 году с большой приверженностью и энтузиазмом, чтобы обеспечить эргономичные детские учебные столы и стулья высокого качества, безопасности и долговечности. Самое главное умение расти вместе с ребенком.
Восемь лет работы в мебельной промышленности позволили основателю приобрести ценный опыт в различных аспектах проектирования, маркетинга и производства.
Понимание «эргономики» является одной из важных областей, поскольку ее правильное использование в дизайне поможет детям в первые годы жизни.
Надлежащая эргономика конструкции необходима для предотвращения повторяющихся растяжений и других нарушений опорно-двигательного аппарата, которые могут развиваться со временем и могут привести к длительной инвалидности. Компания VL Kids Dimensions считает, что хорошая осанка и повышенный комфорт способствуют более эффективному и сосредоточенному обучению. Таким образом, речь идет об оптимизации человеческого благополучия и общей производительности, что привело к появлению этой новой линейки эргономичной мебели для учебы.
дарим только лучшее
Слово от нашего основателя
VL Dimensions Sdn Bhd ; VL KIDS основана нашим председателем Валери С. в 2014 году.
Благодаря своему обширному опыту в сфере коммерческой мебели, Валери С. поставила перед собой задачу и освоила нишу на рынке, уделяя особое внимание детской эргономичной мебели. Ассортимент продуктов, который может обеспечить долгосрочное использование наряду с пользой для здоровья растущих детей до их взрослой жизни.
Валери С. решила развиваться и расти в этом секторе, так как считает чрезвычайно важным иметь хорошее функциональное учебное пространство. Большую часть времени ребенок тратит на учебу, и это
доказано, что при изучении приспособленности человека эргономичная мебель помогает уменьшить усталость и дискомфорт благодаря дизайну продукта. Будь то в школе или дома, при использовании правильного продукта будет достигнут уровень результатов на более высоком уровне концентрации и производительности.
Более того, с лихорадочным стилем обучения в этом современном мире Валери К. считает, что ее направление и цель, направленная на эту группу родителей и детей, должны быть выполнены, поскольку цель VL KIDS состоит в том, чтобы предоставить каждому дому лучшее эргономичное решение.
, добиваясь лучшей жизни для себя и детей будущего.
Валери С. обращает внимание своей команды на одну вещь;
«Мы не только продаем, но и заботимся об общем благополучии наших клиентов, покупающих у нас. В VL KIDS мы всегда как семья и заботимся об их детях так же, как заботимся о своих».
Валери К.
Основатель
Связь между эргономикой и мебелью
Это наука, направленная на изучение приспособленности человека и помогающая уменьшить усталость и дискомфорт за счет разработки продукта.
Эргономика применительно к дизайну детской мебели требует, чтобы мы принимали во внимание то, как продукты разработаны, чтобы соответствовать людям, которые их используют.
Будь то в школе или дома, при использовании правильного продукта достигается уровень результатов на более высоком уровне концентрации и производительности.
Предотвращаются распространенные проблемы, такие как потеря внимания, плохая осанка, которая приводит к развитию осанки у ребенка, и проблемы со зрением.
Посмотреть галерею продуктов
узнать
More Details
FREE CONSULTATION WITH OUR ERGONOMIC CONSULTANT
LOCATION
Unit 7A, Level 1
Jalan Bukit Desa 5, Taman Bukit Desa
Off Jalan Klang Lama
58100 Kuala Lumpur, Malaysia
КОНТАКТЫ
+6011 2336 0633
+6019 229 9948
ЭЛЕКТРОННАЯ ПОЧТА
Облизости
Гарантия
Доставка и логистика
Мы принимаем
9004 30 96111111111196119611 1111111119611 96111111111961111111111196111111111119611 1111111119611 1111111119611111111119611 гг.
VLKidsБЛАГОДАРИМ ВСЕХ ПОДДЕРЖИВАЮЩИХ КЛИЕНТОВ VL KIDS ЗА ПРИОБРЕТЕНИЕ НАШИХ ЭРГОНОМИЧНЫХ НАБОРОВ
Все изображения предоставлены нашими доверенными и поддерживающими покупателями эргономических учебных наборов VLK.
29
3
20
19
400 x 400 пикселей – Отзыв веб-сайта (9)
8
400 x 400 пикселей – Отзыв веб-сайта (11)
31
14
7
6
27
25
26
18
21
22
13
15
16
10
11
12
4
28
30
32
23
24
17
400 x 400 пикселей – Отзыв веб-сайта (10)
400 x 400 пикселей – Отзыв веб-сайта (8)
400 x 400 пикс. – Отзыв веб-сайта (7)
«ПРАВИЛЬНАЯ ОСАЖКА НАЧИНАЕТСЯ С МОЛОДЫХ » «Даже если ваша осанка была проблемой в течение многих лет,0194 можно внести улучшения .
Округлые плечи и сгорбленная поза могут казаться высеченными в камне к тому времени, когда мы достигнем определенного возраста, и вы можете почувствовать, что пропустили лодку для лучшей осанки. Но есть большая вероятность, что вы все равно сможете встать выше, если будете использовать правильную эргономичную мебель , которая определенно сможет помочь »
47
48
45
41
46
44
43
42
СЕРИЯ PLATINUM
Некоторые учебные наборы серии PLATINUM, которые были доставлены нашим уважаемым клиентам.
БОЛЬШОЕ СПАСИБО ЗА ОТПРАВКУ НАМ ВАШИХ ФОТОГРАФИЙ!
СТОЛ И СТУЛ СЕРИИ PLATINUM
Подходит как для детей, так и для взрослых. Стол полностью регулируется по высоте и подходит для детей от 3 лет до роста 175 см.
У нас есть несколько клиентов, использующих стол Platinum для работы ночью, а днем он будет использовать его для учебных занятий для своего ребенка!
«1 СТОЛ ДЛЯ СЕМЬИ»
ПРЕКРАСНЫЙ МОМЕНТ
Мы признательны и благодарны всем нашим любимым клиентам!
Мы надеемся, что все наши принцы и принцессы VLK вырастут здоровыми и умными, а также приобретут хорошую осанку благодаря использованию наших эргономичных столов и стульев
СЕРИЯ CHAMPION
Это одна из наших вечнозеленых моделей, которые мы продали тысячами штук.
, доставка во многие домохозяйства.
Серия Champion была одной из наших первых моделей, продаваемых на ВЛК.
ПРЕКРАСНЫЙ МОМЕНТ СЪЕМКА
Мы признательны и благодарны всем нашим любимым клиентам!
Мы надеемся, что все наши принцы и принцессы VLK вырастут здоровыми и умными, а также приобретут хорошую осанку благодаря использованию наших эргономичных столов и стульев
«ПРАВИЛЬНАЯ ОСАЖКА НАЧИНАЕТСЯ С МОЛОДЫХ»«Даже если ваша осанка была проблемой в течение многих лет, можно внести улучшения . Округлые плечи и сгорбленная поза могут казаться высеченными в камне к тому времени, когда мы достигнем определенного возраста, и вы можете почувствовать, что пропустили лодку для лучшей осанки. Но есть хороший шанс, что вы все еще можете встать выше, если вы используете правильная эргономичная мебель, которая точно сможет выручить “
” МЫ СЧИТАЕМ, ЧТО ЕЕ НУЖНО РАЗВИВАТЬСЯ С МОЛОДЫХ И ОСТАЕТСЯ НА ВСЕ ЖИЗНЬ “ “ Не скрещивайте ноги; держите ноги на полу, лодыжки перед коленями .
Убедитесь, что ваши ноги касаются пола. Расслабьте плечи; они не должны быть закруглены или оттянуты назад. Держите локти близко к телу. Получите хорошую осанку с помощью эргономичного учебного стола и стула, которые на 100 % соответствуют требованиям эргономики; полностью регулируемая по высоте и наклоняемая для различных применений»
Галерея
Наши поставкиОт Западной Малайзии до Восточной Малайзии мы доставим вам, где бы вы ни находились. Мы также хотели бы поблагодарить клиентов, которые проделали весь путь из ближнего и дальнего зарубежья, чтобы посетить наш выставочный зал, и тем, кто организовал самовывоз с нашего склада.
Мы искренне благодарим всех наших поддерживающих клиентов. Мы заверяем вас, что мы будем продолжать обслуживать каждый раз и предоставлять вам лучший сервис в пределах наших возможностей и продолжать совершенствоваться.
««Мы не только продаем, но и заботимся об общем благополучии наших клиентов, совершающих покупки у нас.


При пересечении воздушной линией напряжением 6 — 10кВ трамвайной и троллейбусной линий — соответственно 9,5 и 11 метров при расстоянии до несущего троса или контактного провода 3 метра. Расстояние от проводов воздушной линии напряжением до 1000В при наибольшем их отклонении от зданий и строений допускается не менее 1,5 метров до балконов и окон и 1 метр до глухих стен. Для воздушной линии напряжением 6 — 10кВ — не менее 2 метров. Прохождение воздушной линии над зданиями не допускается.

Однако наибольшее распространение получили многопроволочные провода из двух металлов с хорошими механическими характеристиками и относительно невысокой стоимостью. К проводам такого типа относятся сталеалюминиевые провода с отношением площадей поперечного сечения алюминиевой и стальной части от 4,0 до 8,0. Примеры расположения фазных проводов и грозозащитных тросов показаны на рис. 2, а конструктивные параметры ВЛ стандартного ряда напряжений приведены в табл. 1.